產品介紹
咨詢服務熱線:13957717877
產品概述
資料下載
相關產品
相關資訊


為什么GRD9S-F100L/R 帶漏電保護型智能小型斷路器? |
在現代電氣系統中,人身安全防護與用電管理的精細化、智能化日益重要。GRD9S- F100L/R 智能小型斷路器將可靠的線路保護、高效的漏電防護與豐富的智能管理功能融 為一體,能夠幫助用戶有效預防觸電和電氣火災風險,同時實現用電情況的實時監控、 故障預警與遠程控制,提升配電系統的安全性、可靠性和管理效率。 |
GRD9S-F100L/R 帶漏電保護型智能小型斷路器產品優勢: |
1、安全集成:融合了高靈敏度漏電保護與多種線路保護功能,提供多重安全防護。 |
2、智能管理:具備精確的電量計量、的電氣參數監測和靈活的遠程通信能力,助 力能源管理與故障分析。 |
3、響應迅速:分合閘動作時間短,漏電動作時間快,能快速切斷故障,限制事故影響。 |
4、靈活可選:提供帶液晶顯示(R型)與不帶顯示(L型)兩種版本,以及多種額定電 流、脫扣曲線和漏電類型,適應不同應用場景需求。 |
5、安裝便捷:采用35mm標準導軌安裝,符合通用安裝規范,方便集成于各類配電箱 柜。 |
GRD9S-F100L/R 帶漏電保護型智能小型斷路器產品特點: |
1、符合標準:產品設計符合GB/T 10963.1及NB/T 42149等相關國家標準。 |
2、規格靈活:額定電流優選20A、32A、63A、100A;脫扣特性提供B、C、D型可選, 匹配不同負載特性。 |
3、高分斷能力:短路分斷能力達6kA,能有效應對短路故障。 |
4、快速動作:合閘時間<1.5s,分閘時間<1.0s,響應及時。 |
5、的漏電保護:支持AC型、A型、B型漏電保護;漏電動作時間≤40ms,靈敏度 高。 |
6、堅固耐用:防護等級為IP20,適應常見的室內電氣安裝環境。 |
7、人性化設計:支持手自一體控制,配備機械檢修鎖,方便操作與維護。 |
8、精準計量:集成電量計量功能,精度達到1.0級。 |
9、遠程通信:標配RS485通訊接口,便于接入智能管理系統。 |
10、信息可視:GRD9S-F100R型提供液晶顯示,實時查看數據;GRD9S-F100L型則滿 足無需本地顯示的應用。 |
11、完善的保護功能:除基本保護外,還具備過壓、欠壓、過功率、欠功率、缺相、斷 零、電壓/電流不平衡、高溫、漏電自檢、漏電突變、錯相等多種保護和監測功能。 |
12、智能控制:支持預警、定時控制、自動重合閘(含漏電重合)、上電合閘等自動化 功能 |
GRD9S-F100L/R 帶漏電保護型智能小型斷路器產品應用: |
GRD9S-F100L/R 智能小型斷路器廣泛應用于需要高安全標準和智能用電管理的場所,例 如: |
1、住宅建筑:家庭配電箱、戶用保護,特別是浴室、廚房等潮濕場所的回路保護。 |
2、商業設施:商場、酒店、辦公樓宇的末端配電回路,保障人身安全與設備安全。 |
3、公共建筑:學校、醫院、圖書館等人員密集場所的電氣安全防護。 |
4、工業領域:小型車間、廠房、實驗室的動力與照明配電,以及臨時用電場所。 |
5、基礎設施:通信基站、新能源充電樁、戶外配電箱等場景的線路保護和狀態監測。 |

GRD9S-F100L/R 帶漏電保護型智能小型斷路器技術參數: |
符合標準 | GBT 10963.1 NBT42149 | GBT 10963.1 NBT42149 |
Poles | 1P、2P | 3P、4P |
額定電壓 | AC230V 50Hz | AC400V 50Hz |
額定電流 | 優選20A、32A、63A、100A | 優選20A、32A、63A、100A |
脫扣類型 | B型、C型、D型 | B型、C型、D型 |
短路分斷能力 | Icu=lcs=6kA | Icu=lcs=6kA |
機械壽命 | 大于20000次 | 大于20000次 |
電氣壽命 | 大于6000次 | 大于6000次 |
合閘時間 | <1.5s | <1.5s |
分閘時間 | <1.0s | <1.0s |
漏電類型 | AC、A、B型 | AC、A、B型 |
漏電動作時間 | <40ms | <40ms |
防護等級 | Ip20 | Ip20 |
安裝方式 | 35mm標準導軌 | 35mm標準導軌 |
工作環境溫度 | -40~70℃ | -40~70℃ |
手自一體控制 | 有 | 有 |
機械檢修鎖 | 有 | 有 |
電量計量 | 有精度1.0 | 有精度1.0 |
通訊方式 | RS485 | RS485 |
GRD9S-F100L/R 帶漏電保護型智能小型斷路器功能保護: |
| 序號 | 保護功能 | 跳閘類型 | 產品類型 | 參數設置 | 設置值 AC型 | 出廠 默認值 | 備注 | |
| 2P | 3P 4P | |||||||
| 1 | 過壓保護 | 關閉/報警/跳閘 | 關閉 | 關閉 | 過壓整定 | 250~350V | 280V | |
過壓延時 | 0-10s | 3s | ||||||
| 2 | 欠壓保護 | 關閉/報警/跳閘 | 關閉 | 關閉 | 欠壓整定 | 110-200V | 165V | |
欠壓延時 | 0-10s | 3s | ||||||
| 3 | 過載保護 | 關閉/報警/跳閘 | 跳閘 | 跳閘 | 過載整定 | 0.6ln~In | In | |
過載延時 | 0-10s | 3s | ||||||
| 4 | 欠載保護 | 關閉/報警/跳閘 | 關閉 | 關閉 | 欠載整定 | 1-90% | 5% | |
欠載延時 | 0-10s | 5s | ||||||
| 5 | 高溫保護 | 關閉/報警/跳閘 | 報警 | 報警 | 高溫整定 | 60~100℃ | 80℃ | |
高溫延時 | 0-10s | 5s | ||||||
| 6 | 缺相保護 | 關閉/報警/跳閘 | 1 | 跳閘 | 缺相整定 | 10-100V | 30V | |
缺相延時 | 0-10s | 3s | ||||||
| 7 | 斷零保護 | 關閉/報警/跳閘 | 跳閘 | 跳閘 | 延時整定 | 0-10s | 1s | |
| 8 | 斷電保護 | 關閉/報警/跳閘 | / | / | 斷電電壓值 | 0-100V | 80V | |
斷電延時 | 0-5s | 2s | ||||||
| 9 | 過功率保護 | 關閉/報警/跳閘 | 關閉 | 關閉 | 過功率整定 | 5W-50kW | 2kW | |
過功率延時 | 0-10s | 5s | ||||||
| 10 | 欠功率保護 | 關閉/報警/跳閘 | 關閉 | 關閉 | 欠功率整定 | 5W-50kW | 2kW | |
欠功率延時 | 0-10s | 5s | ||||||
| 11 | 漏電保護 | 關閉/報警/跳閘 | 跳閘 | 跳閘 | 漏電整定值 | 30-500mA | 50mA | 30/50/100/ 200/300/500mA |
不驅動時間 | -10.06/0.1/0.2s | 一 | ||||||
| 12 | 電壓不平衡 | 關閉/報警/跳閘 | / | / | 不平衡度 | 5%-30% | 20% | |
延時時間 | 0-10s | 5s | ||||||
| 13 | 電流不平衡 | 關閉/報警/跳閘 | / | 1 | 不平衡度 | 5%-30% | 20% | |
延時時間 | 0-10s | 5s | ||||||
| 14 | 報警允許 | 關閉/開啟 | 開啟 | 開啟 | ---- | ------ | 一 | |
| 15 | 預警功能 | 關閉/開啟 | 開啟 | 開啟 | 預警比例 | 90~100% | 95% | |
| 16 | 定時控制 | 關閉/開啟 | 關閉 | 關閉 | ---- | ------ | 一 | |
| 17 | 自動合閘 | 關閉/開啟 | 關閉 | 關閉 | ---- | ------ | 一 | |
| 18 | 漏電自檢 | 關閉/開啟 | 關閉 | 關閉 | 日、時、分 | 30:24:60 | 一 | |
| 19 | 漏電突變保護 | 關閉/開啟 | 關閉 | 關閉 | 漏電突變值 | 30-100mA | 30mA | |
| 20 | 漏電重合 | 關閉/開啟 | / | / | 檔位選擇 | 00-9 | 0 | |
| 21 | 上電合閘 | 關閉/開啟 | / | / | 延時設置 | 1-60s | 3s | |
| 22 | 錯相保護 | 關閉/報警/跳閘 | / | 關閉 | 錯相延時 | 0-10s | 2s | |

GRD9S-F100L/R 帶漏電保護型智能小型斷路器產品面板:
|
|
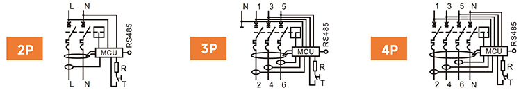
GRD9S-F100L/R 帶漏電保護型智能小型斷路器產品接線: |
|
GRD9S-F100L/R 帶漏電保護型智能小型斷路器產品尺寸: |
|
優惠券
我們的微信
13957717877
13957796089