產品介紹
咨詢服務熱線:13957717877
產品概述
資料下載
相關產品
相關資訊


GOS38A04系列旋轉編碼產品特點: |
1、替代日本KOYO光洋TRD-2T系列。 |
2、分辨率可達:5000P/R。 |
3、外徑φ38mm,軸徑φ6、精度高。 |
4、黑色膠蓋軸承,防灰塵。 |
5、采用推挽輸出電路,增大輸出功率。 |
GOS38A04系列旋轉編碼應用場合: |
配套西門子PLC等控制系統應用。 |

GOS38A04系列旋轉編碼型號及含義:

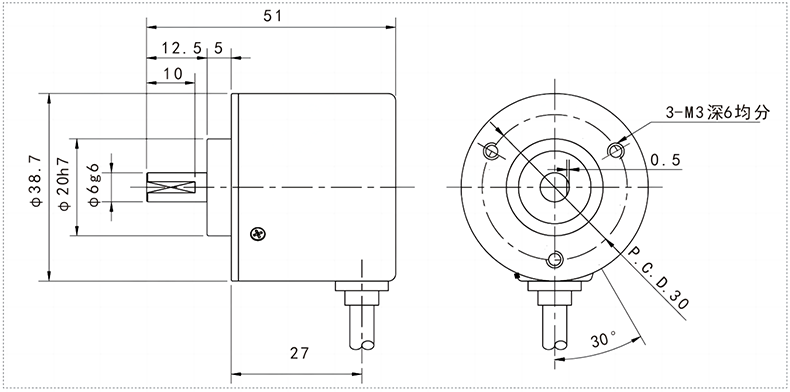
GOS38A04系列旋轉編碼機械圖(單位:mm):


GOS38A04系列旋轉編碼輸出相位差:

GOS38A04系列旋轉編碼接線表:

上一個:GOS38A03系列旋轉編碼器
下一個:GOH38A01系列旋轉編碼器
優惠券
我們的微信
13957717877
13957796089