產品介紹
咨詢服務熱線:13957717877
產品概述
資料下載
相關產品
相關資訊


|
GRI8-IW型電流繼電器在電流監測方面具有較高的可靠性與適應性,尤其適用于對電 流精度和響應可靠性有明確要求的場合。其靈活的配置選項與緊湊的設計,使其能夠融 入現有電氣系統而不占用過多空間,同時為用戶提供可定制的保護策略。 |
GRI8-IW系列監控電流繼電器產品優勢: |
1、測量準確,響應穩定,適用于負載變化頻繁或含有諧波的電路環境。 |
2、功能設置靈活,可根據現場需求配置監控模式與輸出邏輯,降低系統調試復雜度。 |
3、雙觸點獨立輸出設計,可擴展控制功能,提高系統集成度。 |
4、標準工業尺寸與安裝方式,兼容性強,易于維護與更換。 |
GRI8-IW系列監控電流繼電器產品特點: |
1、真有效值測量:采用真有效值算法,能夠準確反映非正弦波電流的實際值,測量精度 高,適應諧波環境。 |
2、監控模式靈活:支持過流監控、欠流監控選擇,也可實現過流與欠流同時監控,滿足 多樣化保護需求。 |
3、輸出觸點可設定:輸出觸點可設置為常開或常閉模式,便于與不同控制系統配合使用 |
4、獨立雙組觸點輸出:提供2組獨立的輸出觸點,可分別對應不同電流閾值動作,實現 多級保護或分路控制。 |
5、結構緊湊,安裝便捷:36mm標準寬度,支持35mm卡軌安裝,便于在各類配電柜內 集成布置。 |
GRI8-IW系列監控電流繼電器產品應用: |
該繼電器廣泛用于電機、變壓器、配電線路、風機、泵類設備等電氣裝置的過流與欠 流監控,可在電力、制造、建筑、基礎設施等行業中發揮保護與控制作用,幫助預防因 電流異常導致的設備損壞或系統故障。 |

GRI8-IW系列監控電流繼電器型號說明: | ||
GRI8 | IW | 1/2 |
| GRI8系列電流繼電器 | 設計序號 | 監控電流范圍: |
1:AC/DC 2mA-500mA 50/60Hz | ||
2:AC/DC 0.15A-15A 50/60Hz | ||
GRI8-IW系列監控電流繼電器技術參數: | ||
GRI8-IW1 | GRI8-IW2 | |
| 功能 | 電流監控 | |
| 電源端子 | A1,A2 | |
| 額定控制電源電壓 | AC/DC24-240V 50/60Hz | |
| 監控電流輸入端子 | E1,E2,E3,M | |
| 監控電流范圍 | AC/DC2mA-500mA 50/60Hz | AC/DC0.15A-15A 50/60Hz |
| 額定絕緣電壓 | 500V | |
| 額定沖擊耐受電壓 | 2.5KV | |
| 滯后值 | 過流或欠流監控時5%-50%可調; 過欠流同時監控時固定5% | |
| 電源指示燈 | 綠色LED | |
電流測量誤差 | ≤5% | |
動作延時時間(Tt) | 0.3s-30s | |
上電延時時間(Tr) | 1s-20s | |
旋鈕設定精度 | 10% | |
溫度波動誤差 | 0.05%/℃,at=20℃ | |
| 輸出 | 2組轉換觸點 | |
| ||
小切換功率 | 500mW | |
輸出繼電器指示 | 黃色LED | |
機械壽命 | 5×10? | |
電壽命(阻性負載) | 5×104 | |
工作環境溫度 | -20℃~+55℃ | |
存儲和運輸環境溫度 | -35℃~+75℃ | |
安裝方式 | 35mm卡軌安裝 | |
防護等級 | IP20 | |
安裝位置 | 任意 | |
安裝海拔高度 | ≤2000米 | |
污染等級 | 2 | |
接線能力 | 1×2.5mm2或2×1.5mm20.4N·m | |
外形尺寸 | 90mm×36mm×70mm | |
重量 | 100g | |
符合標準 | GB/T14048.5,IEC60947-5-1 | |
型號 | 輸入端子 | 輸入監測電流范圍 | 輸入電阻 | 過載能力 |
| GRI8-IW1 | E1-M | AC/DC2mA-20mA 50/60Hz | 5Ω | 1.2倍電 流可以長期, 1.5倍時1秒。 |
| E2-M | AC/DC10mA-100mA 50/60Hz | 1Ω | ||
| E3-M | AC/DC50mA-500mA 50/60Hz | 0.2Ω | ||
| GRI8-IW2 | E1-M | AC/DC0.15A-1.5A 50/60Hz | 0.05Ω | |
| E2-M | AC/DC0.5A-5A 50/60Hz | 0.015Ω | ||
| E3-M | AC/DC1.5A-15A 50/60Hz | 0.005Ω |

GRI8-IW系列監控電流繼電器產品面板: |
|
撥碼開關設置 |
| SW1 | ON | 單監控,過流或欠流 |
| OFF | 雙監控,過流和欠流 | |
| SW2 | ON | 過流監控 (只在SW1=ON,單監控時有效) |
| OFF | 欠流監控 (只在SW1=ON,單監控時有效) | |
| SW3 | ON | 過欠流后鎖定 |
| OFF | 過欠流后自動復位 | |
| SW4 | ON | 正常常開點閉合,過欠流時常開點斷開 |
| OFF | 正常常開點斷開,過欠流時常開點閉合 | |
| SW5 | ON | 繼電器1和繼電器2同時動作 (當SW1=ON,單監控時默認此模式) |
| OFF | 繼電器1和繼電器2分開動作, 只在SW1=0FF,雙監控時有效, R1(11,12,14)過流,R2(21,22,24)欠流 |
過欠流同時監控時的錯誤設定 |
|
當欠流設定值大于過流設定值時,指示燈Us和F同時閃爍,繼電器觸點復位,當欠流 設定值小于過流值時,指示燈和繼電器恢復。 |

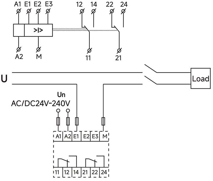
GRI8-IW系列監控電流繼電器產品接線: |
|
GRI8-IW系列監控電流繼電器產品尺寸: |
|
上一個:LP系列工業級防水連接器
優惠券
我們的微信
13957717877
13957796089