產品介紹
咨詢服務熱線:13957717877
產品概述
資料下載
相關產品
相關資訊


為何選擇GPS8-15型相位選擇開關? |
GPS8-15通過智能化電壓管理與快速響應機制,降低設備維護成本,延長負載壽 命,是提升供電系統魯棒性的高效解決方案。 |
GPS8-15型相位選擇開關產品特點: |
1、?精準電壓監測與保護? 采用真有效值(TRMS)測量技術,精準識別電壓波動,支持過壓、欠壓閾值自定義 (可設置范圍:過壓100%~130%額定電壓,欠壓70%~90%額定電壓),避免設備因 電壓異常受損。 |
2、?智能化相位切換? 自動檢測三相電源狀態,當任一相位電壓超出設定范圍時,快速切換至正常相位,保 障負載持續供電,減少停機風險。 |
3、?人機交互友好? 配備高亮度數字屏,實時顯示當前電壓值及工作相位;多色LED指示燈直觀反饋運行 狀態(如正常、過壓、欠壓),便于快速故障排查。 |
4、?便捷安裝與集成? 支持標準DIN導軌安裝,適配各類配電柜及控制箱,簡化部署流程,節省運維成本。 |
GPS8-15型相位選擇開關產品應用: |
1、?工業電力系統?:為生產線、電機設備提供穩定的相位切換保護,防止電壓不穩導致的 設備宕機或損壞。 |
2、?商業建筑供電?:保障商場、醫院、數據中心等關鍵場所的持續電力供應,規避電壓異 常引發的安全隱患。 |
3、?可再生能源系統?:配合太陽能/風能并網裝置,優化三相負載分配,提升能源利用效 率。 |

GPS8-15型相位選擇開關型號說明: |

GPS8-15型相位選擇開關技術參數: |
| 型號 | GPS8-15 |
| 功能 | 相位選擇器開關 |
| 額定電源電壓 | AC220V(L1,L2,L3-N) |
| 額定電源頻率 | 45~65Hz |
| 工作電壓范圍 | 80V~400V(L1,L2,L3-N) |
| 額定工作電流 | 63A,80A(AC1) |
| 負擔 | ACmax.3VA |
| 過電壓運行值 | OFF,230V~300V |
| 欠壓運行值 | 140V~210V,OFF |
| 過壓/欠壓動作延遲 | 0.1s~10s |
| 加電延遲 | 2~600s |
| 復位時間 | 2~900s |
| 測量誤差 | ≤1% |
| 電氣壽命(AC1) | 1×10? |
| 機械壽命 | 1×10? |
| 工作溫度 | -20℃~+60℃ |
| 儲存溫度 | -35℃~+75℃ |
| 安裝/DIN導軌 | 導軌EN/IIEC60715 |
| 防護等級 | 前面板IP40/IP20端子 |
| 操作位置 | any |
| 過電壓類別 | Ⅲ. |
| 污染程度 | 2 |
| 尺寸 | 82×72×68mm |
| 重量 | 310g |

GPS8-15型相位選擇開關產品面板: |

| 它可用于手動打開或關閉負載。 |
| 按住設置鍵3秒鐘以進入設置。修改設置后,按住3秒鐘以保存設置。 |
| 用于在設置參數時增加值。 |
| 用于在設置參數時減小值。 |
| LED狀態 | LED:L1/L2/L3○ |
| 未選擇此階段 |
| 已選擇此階段 |
| 電壓故障恢復延遲正在進行中 |
| LED狀態 | LED:FLTO |
![]() | 電壓正常 |
![]() | L1、L2、L3電壓均故障 |
![]() | 觸點斷開故障 |
GPS8-15型相位選擇開關產品尺寸: |


GPS8-15型相位選擇開關產品尺寸: |
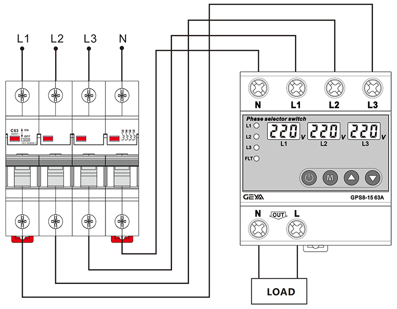
該產品的輸入為L1、L2、L3、N,輸出為L、N。該產品將自動選擇正常電壓的相位 輸出。當其中一相發生電壓故障時,它將自動切換到正常電壓的相。如果電壓的三 相都發生故障,故障指示燈將亮起。 |


GPS8-15型相位選擇開關產品接線: |


上一個:GPS8-13型電壓/電流保護器
下一個:GPS8-16型相位選擇開關
優惠券
我們的微信
13957717877
13957796089